避雷器TUR T2-100/3P+N
閱讀次數:1187 發布時間:2020-09-03
TUR T2-100/3P+N適合各種電網系統,具有老化過熱保護,TUR T2-100/3P+N具有報警顯示,可帶電更換芯體,軍工品質,積累多年經驗,歡迎詳詢TUR T2-100/3P+N系列產品!

參數設置:

系列型號:
TUR T2-100/4P/385
TUR T2-100(1P+N/385)
TUR T2-100(3P+N/385)
外形尺寸:

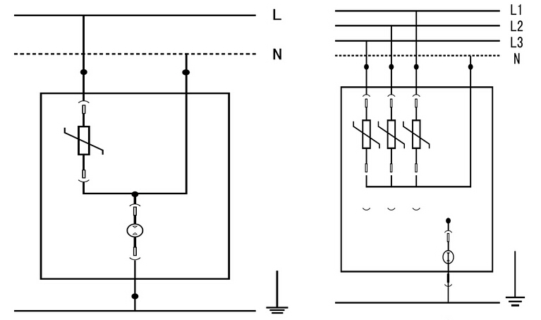
結構圖:

知識鏈接:
避雷器其他參數的選擇,取決于每個被保護對象所在地的防雷區等級,其工作電壓以安裝在引入電路中的所有元件的額定電壓為準。應注意串聯避雷器的額定電流。影響雷擊電流在電子線路中分布的其他因素有:變壓器終端接地電阻的減小使電子線路中的分布電流增大。
隨著供電電纜長度的增加,電力線中的分布電流減小,導線中的電流分布趨于平衡。電纜長度短,中性線阻抗低,使電流不平衡,引起差模干擾。當供電電纜與多用戶連接時,有效阻抗降低,導致配電電流增大。在電網供電狀態下,臨時雷擊電流主要流入電力線路,這也是雷害大多發生在電力線路上的原因。后續防雷區域內防雷裝置的選擇應考慮各級之間的能量分配和電壓協調。當許多因素難以確定時,采用串聯電源避雷器是一個很好的選擇。
串聯防雷是根據現代防雷的特點,如應用場合多、保護范圍廣、層次分明(相對于傳統的式防雷器)而提出的概念。其實質是通過能量協調和電壓分配,將多級避雷器與濾波技術有效結合。系列防雷具有以下特點:應用廣泛。根據常規應用,適用于自然保護區內難以區分的地方。感應解耦裝置在暫態過電壓下的分壓和延時效應有助于實現能量協調。為了實現低殘余電壓和長壽命響應時間,降低了瞬態干擾的上升速度。




